Гайка шлицевая DN63,5 SMS AISI 304 (L) / 1.4301 (7) / 08X18H10 - это составная часть резьбового соединения (муфты молочной) по сварку из нержавеющей стали, которое широко используются при изготовлении молокопроводов на предприятиях молочной промышленности, а также на предприятиях пищевой и химической промышленности при изготовлении технологических нержавеющих трубопроводов, предназначенных для транспортировки пищевых и агрессивных жидких продуктов.
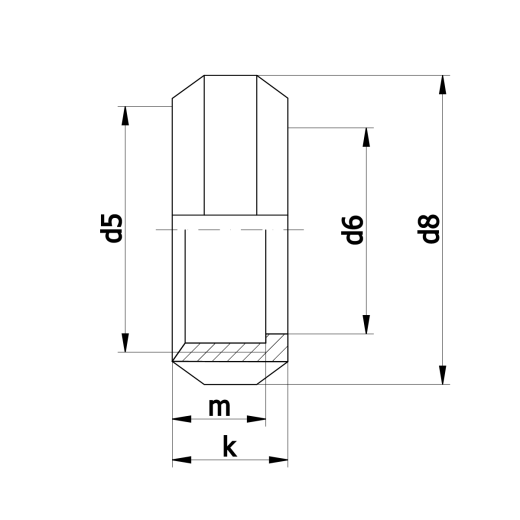
| DN | d5 | d6 | d8 | k | m | kg | Steel grade | Article |
|---|---|---|---|---|---|---|---|---|
| 63,5 | 70x1,6" | 74 | 100 | 30 | 25 | 0,410 | AISI 304 (L) / 1.4301 (7) | 1005-063-SMS-10E0 |
|
Наименование товара
|
Гайка шлицевая |
|
Марка стали (материал)
|
AISI 304 (L) / 1.4301 (7) / 08X18H10 |
|
Стандарт изготовления
|
SMS |
|
Условный диаметр, DN (ДУ)
|
63,5 |
Для покупки товара добавьте его в корзину. Далее перейдите в корзину и проверьте чтобы в ней находились необходимые вам товары и нажмите кнопку «Оформить заказ», далее заполните форму: ФИО, телефон и e-mail, адрес. В комментарии к заказу можете указать дополнительную информацию. На которую стоит обратить внимание менеджеру, который будет вести ваш заказ.
Нажмите кнопку «Отправить», для отправки заказа на обработку.
Вам перезвонят для уточнения по оплате и доставке (самовывозу).
Доступны несколько форм оплаты:
- Наличными денежными средствами при получении.
- Банковской картой.
- Перечисление денежных средств на расчетный счёт.
Подробнее об оплате читайте в разделе оплата.
Если вам необходима доставка товара, то сообщите об этом менеджеру, когда он будет звонить для уточнения заказа. Также есть возможность забрать продукцию самостоятельно с нашего склада.
При звонке менеджер уточнит, о стоимости доставки, сроках или когда можно забрать товар с нашего склада. Также если каких-то позиций сейчас нет на складе, то оговорит сроки их поступления.
Забрать товар самостоятельно можно с нашего склада по адресу: Минский р-н, дорога М4, 17 км, строение 2/6 (р-н д. Прилесье, Луговослободской с/с). Предварительно оговорите с менеджером, когда вы будите забирать товар.Выписка сопроводительных документов, и погрузка металлопроката осуществляется пн-чт с 09:00 до 17:00, пятница с 9:00 до 16:30.
Если вы не нашли нужный вам размер или у вас остались какие-то вопросы позвоните нам +375 17 240-40-31 и наши менеджеры ответят на все ваши вопросы.
Компания ООО «ДжиТи Трейд» всегда рада новым клиентам. Наша команда делает всё для того, чтобы наши покупатели остались довольны сотрудничеством с нами. При необходимости можете заказать у нас услугу по резке труб и листов.